光ファイバーケーブル
多治見⇔SC変換BOX
CANARE
レンタル料金(1日/税別)
¥3,000(税込)
特徴
FCJB-OF_FR15043A/FCJB-OF_FR15044A
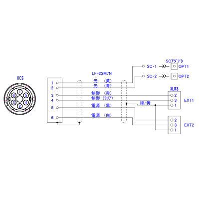
多治見カメラケーブルをSCコネクタに変換するBOX
落下物防止のために、コネクタ上部に落下物防止カバーの脱着が可能
スペック
注意点
※電源付きの信号を伝送する際は、細心の注意をお願いします。
※電源付きの信号とオーディオ等を混ぜるとノイズがでる恐れがあります。
※SCケーブルはシングルモードの物をご用意ください。
本体より5mの多治見カメラケーブルが立ち上がっています。
※電源付きの信号とオーディオ等を混ぜるとノイズがでる恐れがあります。
※SCケーブルはシングルモードの物をご用意ください。
本体より5mの多治見カメラケーブルが立ち上がっています。
当社セット内容
多治見⇔SC変換BOX
本体(多治見 オス側 変換BOX) ×1
本体(多治見 メス側 変換BOX) ×1
SCケーブル 2対2m ×2